Tajemnicza płytka podłączona do ZS CA80.
Wczoraj opisałem proces tworzenia klona MIK90. Na zdjęciu z uruchomionym nowym CA80 widać dziwną płytkę podłączoną do ZS. Wcześniej używałem zdekompletowany Z80_MBC2 z dorobioną przejściówką na płytce uniwersalnej, więc zaprojektowałem PCB z minimalną liczbą elementów. Dzięki temu potrzeba mniej miejsca na biurku. :-)
![]() |
| Tajemnicza płytka. |
CA80 nie ma systemu plików, więc uprościłem oprogramowanie Z80-MBC2. Zrezygnowałem z emulacji dysków, za to dodałem odczyt plików HEX. Na początku tylko jednego - "ca80.hex". Osiem kilobajtów "gardynikowego" kodu zaszyłem w flash AT32A. Wykorzystałem RTC do ustawiania czasu w CA. Tej funkcji też brakowało, chociaż wcześniej robiłem już "wynalazki" odczytujące NTP i "wklepujące" przez złącze klawiatury lub przesyłające wejściem magnetofonowym.
![]() |
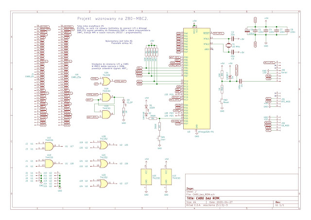
| Schemat tajemniczej płytki. |
Płytka o kryptonimie "CA80_bez_ROM" przeszła jeszcze przez kilka faz rozwoju, zanim z "robala" powstał motyl. No może ćma. xD
![]() |
| Jedna z wersji CA80 bez ROM. |
Z czasem dodawałem jej kolejne zadania, np. sterowanie klawiaturą (ZK), czy obsługę klawiatury dotykowej. Zmieniłem też sposób przesyłania danych z Atmegi do RAM, ale o tym później...
![]() |
| Klawiatura dotykowa. |
Dopasowałem wymiary PCB do klona CA80, żeby można było zrobić z nich "kanapkę". ZS w oryginale był dwurzędowy. Od początku się tego trzymałem, chociaż zajmuje to miejsce na płytce. Okazało się to bardzo użyteczne, bo przy krawędzi można lutować złącza kątowe, a w drugi rząd proste. Umożliwia to łączenie płytek obok siebie (np. w czasie testów), lub jedna nad drugą, jak shield w Arduino. Konsekwentnie stosuję opisy pinów na złączach, żeby ułatwić pracę zarówno sobie, jak i potencjalnym przyszłym użytkownikom.
![]() |
| Zabytek obok klona CA80. |
Na powyższym zdjęciu widać kolejny niestandardowy moduł: pamięć flash zastępującą magnetofon. Napiszę o tym później, ale już teraz możesz kliknąć w link do artykułu na microgeek.eu.





Komentarze
Prześlij komentarz